
INCH-POUND
MIL-DTL-2726/59B
31 August 2005
SUPERSEDING
MIL-R-2726/59A(SH)
3 July 1986
DETAIL SPECIFICATION SHEET
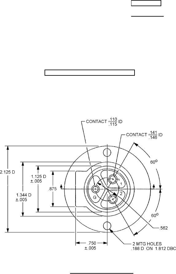
RECEPTACLE, ELECTRICAL, 3-PIN GROUNDED, 10-AMPERE,
450-VOLT, 400 HERTZ, SINGLE PHASE (SYMBOL NO. 1264)
Inactive for new design after 28 June 1999.
This specification is approved for use by all
Departments and Agencies of the Department of Defense.
The requirements for acquiring the product described herein shall consist of this
specification sheet and MIL-DTL-2726.
FIGURE 1. Dimensions and configurations.
AMSC N/A
FSC 5935