
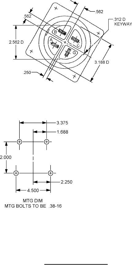
MIL-DTL-2726/61B
Inches
mm
6.35
.250
7.92
.312
9.93
.375
9.7
.38
12.70
.500
21.41
.562
31.75
1.250
38.10
1.500
42.88
1.688
58.80
2.000
55.58
2.188
57.15
2.250
2.562
65.07
3.188
80.98
3.375
85.73
3.94
100.1
4.500
114.30
6.250
158.75
8.000
203.20
NOTES:
1. Dimensions are in inches.
2. Metric equivalents are given for information only.
3. Unless otherwise specified, tolerances are ± .016 (0.41mm) and ± 0°30' on angles.
FIGURE 1. Dimensions and configurations - Continued.
2