
MIL-DTL-2726/62C
Inches
mm
0.13
.005
1.57
.062
6.4
.25
12.50
.500
37.12
1.469
44.45
1.750
28.58
2.125
77.77
3.062
88.90
3.500
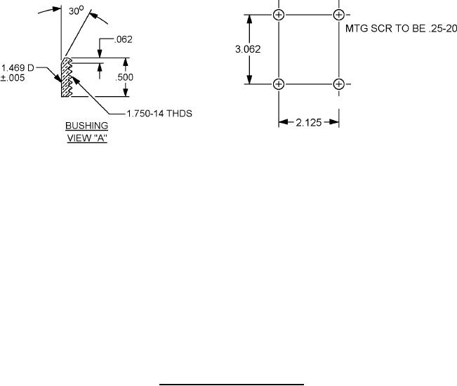
NOTES:
1. Dimensions are in inches.
2. Metric equivalents are given for information only.
3. Unless otherwise specified, tolerances are ± .016 (0.41mm) and ± 0°30' on angles.
FIGURE 1. Dimensions and configurations - Continued.
REQUIREMENTS
Dimensions and configurations: See figure 1.
Effectiveness of enclosure: Watertight in accordance with MIL-STD-108.
Receptacle: MIL-DTL-2726/57, Part or Identifying Number (PIN): M2726/57-001.
Material: Enclosure may be of molded plastic, in accordance with type MAI-60 of ASTM-D5948.
Cap Polyamide (nylon) (black).
Design: Enclosure cover and receptacle assembly may be a one-piece molded unit.
Mating plug: MIL-DTL-2726/52, PIN M2726/52-001.
Enclosure assembly: MIL-E-24142/9, PIN: M24142/9-001.
PIN: M2726/62-001.
2