
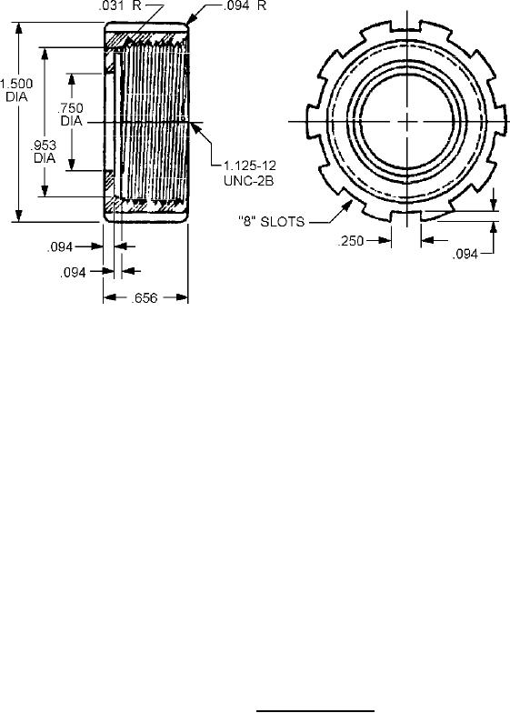
MIL-DTL-2726/73C
Inches
mm
.031
0.79
.093
2.36
.094
2.39
.250
6.35
.626
15.90
.656
16.66
.812
20.62
1.000
25.40
1.375
34.93
NOTES:
1. Dimensions are in inches.
2. Metric equivalents are given for information only.
3. Unless otherwise specified, tolerances are ± .010 (0.25mm) per linear inch, whichever is greater.
4. Angular dimensions are ± 0°30'.
5. Threads as specified in FED-STD-H28/2.
6. Marking PIN: M19622/10-0002 tube size and manufacturer's logo or name in .125 inch high
raised letters on face of cup (see MIL-S-19622).
FIGURE 5. Cable securing cap.
5