
INCH-POUND
MIL-DTL-27434/20A
22 May 2008
SUPERSEDING
MIL-A-27434/20
28 September 1960
DETAIL SPECIFICATION SHEET
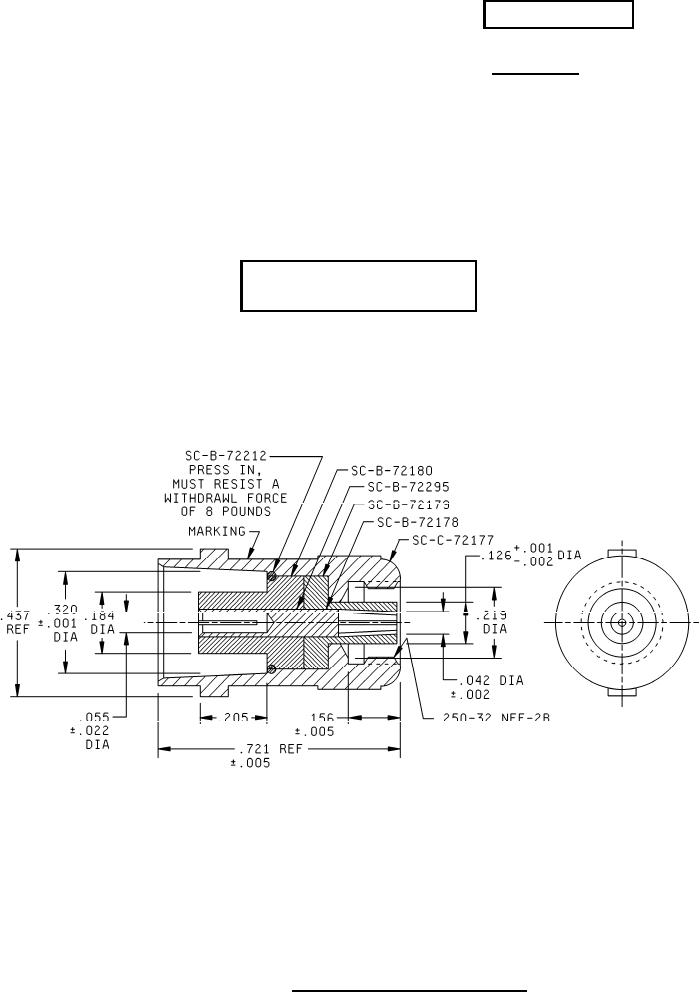
ADAPTER, CONNECTOR, COAXIAL, RADIOFREQUENCY,
BETWEEN SERIES, SERIES BNC to SERIES SM
TYPE UG-690/U
Inactive for new design after
19 February 1982
This specification is approved for use by all Departments
and Agencies of the Department of Defense
The requirements for acquiring the product described herein
shall consist of this specification sheet and MIL-DTL-27434.
Inches mm
Inches mm
.001 0.03
.156 3.96
.002 0.05
.184 4.67
.005 0.13
.205 5.21
.022 0.56
.219 5.56
.042 1.07
.320 8.13
.055 1.40
.427 10.85
NOTES:
.126 3.20
.721 18.31
1. All dimensions are in inches.
2. Metric equivalents are given for information only.
3. Unless otherwise specified dimensional tolerances are ±.005 inches.
FIGURE 1. Type UG690/U connector adapter.
AMSC N/A
FSC 5935
For Parts Inquires submit RFQ to Parts Hangar, Inc.
© Copyright 2015 Integrated Publishing, Inc.
A Service Disabled Veteran Owned Small Business