
INCH-POUND
INACTIVE FOR NEW DESIGN
MIL-DTL-27434/7A
9 January 2003
Superseding
MIL-A-27434/7
28 September 1960
DETAIL SPECIFICATION SHEET
ADAPTER, CONNECTOR, COAXIAL, RADIOFREQUENCY,
BETWEEN SERIES, TYPE UG218A/U
(SERIES HN TO LC)
This specification is approved for use by all Departments
and Agencies of the Department of Defense
The requirements for acquiring the adapter described herein shall
consist of this document and the latest issue of MIL-A-27434.
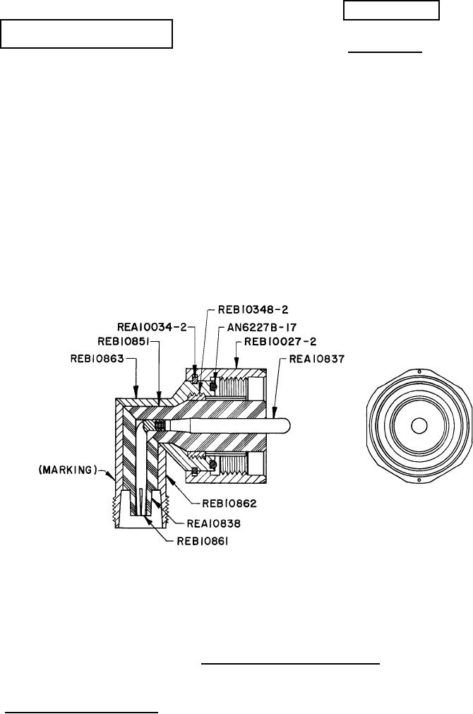
FIGURE 1. Type UG 218A/U connector adapter.
AMSC N/A
1 of 3
FSC 5935
DISTRIBUTION STATEMENT A. Approved for public release; distribution is unlimited.