
INCH-POUND
MIL-DTL-27434/8A
22 May 2008
SUPERSEDING
MIL-A-27434/8
28 September 1960
DETAIL SPECIFICATION SHEET
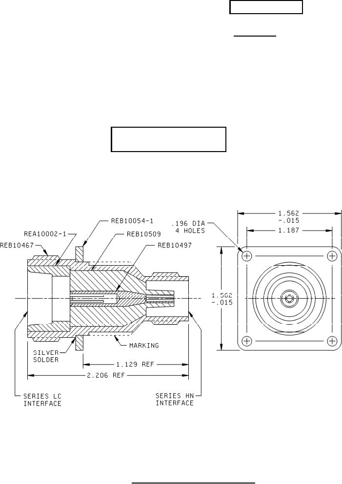
ADAPTER, CONNECTOR, COAXIAL, RADIOFREQUENCY,
BETWEEN SERIES, SERIES HN to SERIES LC
TYPE UG-259 A/U
Inactive for new design
after 19 February 1982
This specification is approved for use by all Departments
and Agencies of the Department of Defense
The requirements for acquiring the product described herein
shall consist of this specification sheet and MIL-DTL-27434.
Inches
mm
.015
0.38
.196
4.98
1.129
28.69
1.187
30.15
1.562
39.67
2.206
56.03
NOTES:
1. All dimensions are in inches.
2. Metric equivalents are given for information only.
3. Unless otherwise specified dimensional tolerances are ±.005 inches.
FIGURE 1. Type UG 259A/U connector adapter.
AMSC N/A
FSC 5935
For Parts Inquires submit RFQ to Parts Hangar, Inc.
© Copyright 2015 Integrated Publishing, Inc.
A Service Disabled Veteran Owned Small Business