
MIL-DTL-27599D
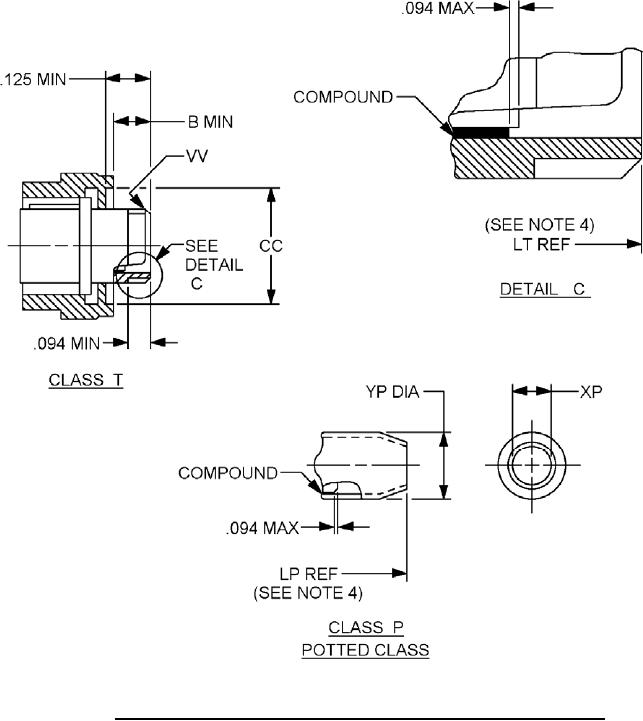
FIGURE 4. Connector accessory interface dimensions, class P, potted glass, series II.
37
For Parts Inquires submit RFQ to Parts Hangar, Inc.
© Copyright 2015 Integrated Publishing, Inc.
A Service Disabled Veteran Owned Small Business