
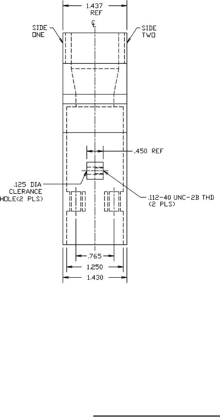
MIL-DTL-28731/37A
mm
Inches
1.57
.062
2.84
.112
3.18
.125
6.10
.240
11.10
.437
11.43
.450
14.27
.562
14.73
.580
19.43
.765
23.49
.925
24.21
.953
29.36
1.156
31.75
1.250
36.32
1.430
36.50
1.437
39.62
1.560
51.82
2.040
57.96
2.282
71.12
2.800
73.02
2.875
76.20
3.000
103.96
4.094
NOTES:
1. Dimensions are in inches.
2. Metric equivalents are given for general information only.
3. Unless otherwise specified, tolerance is ± .005 (0.37 mm).
4. Cover sides 1 and 2 are manufactured as a unit. To maintain proper alignment, cover sections
should not be interchanged with other cover sections.
5. Covers are shipped with sides 1 and 2 assembled to prevent mixing.
6. Application: The shield assembly can be used only with connector assembly M28731/34-0007.
7. Hardware: The shield assemblies are supplied with four #4-40UNC 2A-.500 inch screws for
mounting shield to insulator.
FIGURE 1. Shield rectangular design configuration Continued.
2
For Parts Inquires submit RFQ to Parts Hangar, Inc.
© Copyright 2015 Integrated Publishing, Inc.
A Service Disabled Veteran Owned Small Business