
MIL-DTL-28804/1E
Inches
mm
Inches
mm
.001
1.60
.063
0.03
1.65
.002
.065
0.05
.004
2.24
.088
0.10
3.12
.005
.123
0.13
3.18
.008
.125
0.20
3.51
.010
0.25
.138
3.78
.015
0.38
.149
3.96
0.51
.156
.020
6.60
0.53
.260
.021
7.19
.283
0.79
.031
7.92
.312
0.91
.036
.375
9.52
1.27
.050
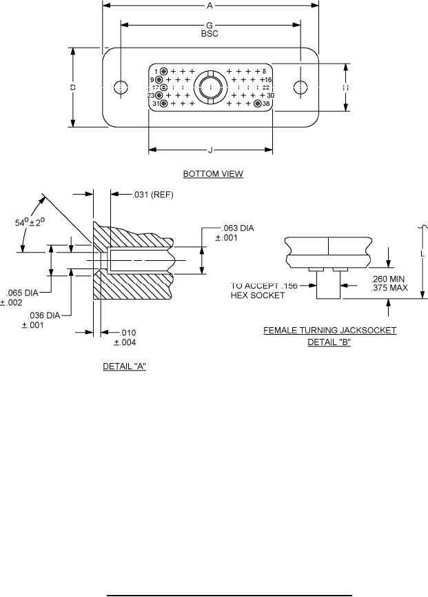
FIGURE 1. Connector, crimp removable socket contacts, class G - Continued.
2
For Parts Inquires submit RFQ to Parts Hangar, Inc.
© Copyright 2015 Integrated Publishing, Inc.
A Service Disabled Veteran Owned Small Business