
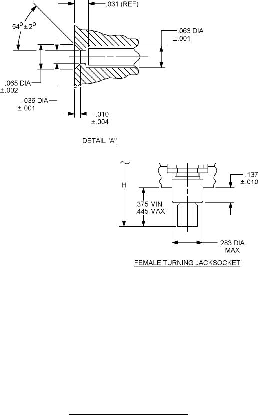
MIL-DTL-28804/7E
Inches
mm
Inches
mm
Inches
mm
4.77
.188
0.79
.031
.001
0.03
4.95
.195
0.91
.036
.002
0.05
5.71
.225
1.60
.063
.004
0.10
.250
6.35
1.65
.065
0.13
.005
.283
7.19
2.18
.086
0.20
.008
.312
7.92
2.84
.112
0.25
.010
.375
9.52
3.42
.135
0.38
.015
.445
11.30
3.47
.137
0.51
.020
.450
11.43
3.51
.138
0.55
.022
11.83
.466
3.78
.149
0.63
.025
FIGURE 1. Connector, socket contacts, class S Continued.
2