
INCH-POUND
MIL-DTL-28804/9E
28 October 2005
SUPERSEDING
MIL-C-28804/9D
12 April 1991
DETAIL SPECIFICATION SHEET
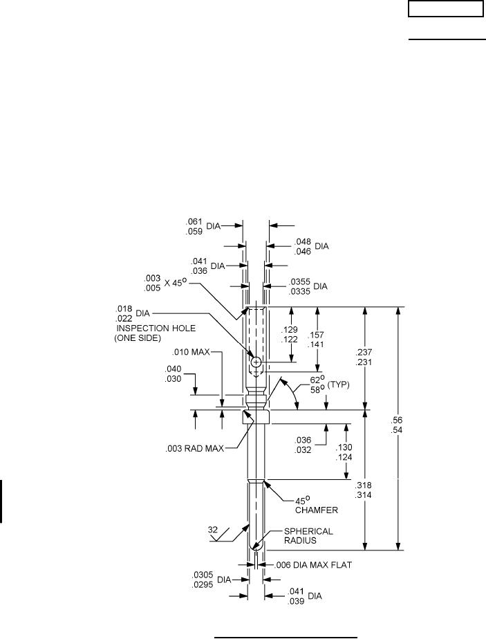
CONNECTORS, PIN CONTACT, ELECTRIC, RECTANGULAR,
HIGH DENSITY, POLARIZED CENTER JACKSCREW,
SIZE 22, CRIMP REMOVABLE
This specification is approved for use by all Departments and Agencies of the Department of Defense.
The requirements for acquiring the product described herein shall consist of this specification sheet and
MIL-DTL-28804.
FIGURE 1. Connector, pin contact, size 22.
AMSC N/A
FSC 5935
For Parts Inquires submit RFQ to Parts Hangar, Inc.
© Copyright 2015 Integrated Publishing, Inc.
A Service Disabled Veteran Owned Small Business