
INCH-POUND
MIL-DTL-28840/14G
14 November 2013
SUPERSEDING
MIL-DTL-28840/14F
23 October 2009
DETAIL SPECIFICATION SHEET
CONNECTORS, ELECTRICAL, CIRCULAR, THREADED,
HIGH SHOCK, HIGH DENSITY, SHIPBOARD, CRIMP CONTACTS,
RECEPTACLE, JAM NUT MOUNTING, CLASSES D, DS, P, T, TS, Z, AND ZS
This specification is approved for use by all Departments
and Agencies of the Department of Defense.
The requirements for acquiring the product described herein
shall consist of this specification sheet and MIL-DTL-28840.
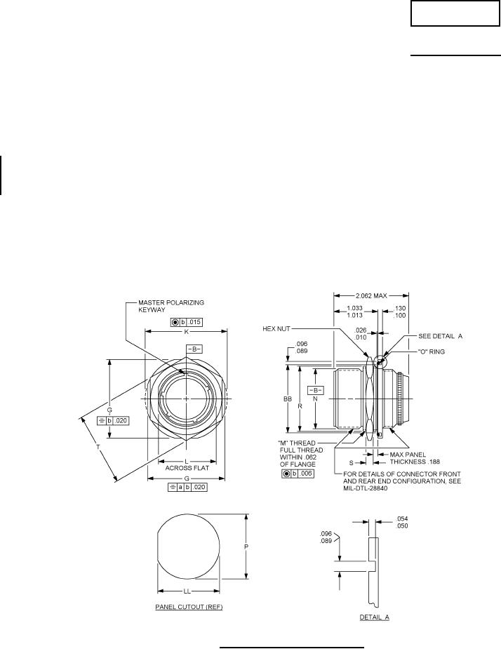
FIGURE 1. Dimensions and configurations.
AMSC N/A
FSC 5935
For Parts Inquires submit RFQ to Parts Hangar, Inc.
© Copyright 2015 Integrated Publishing, Inc.
A Service Disabled Veteran Owned Small Business