
INCH-POUND
MIL-DTL-28840/24D
31 October 2013
SUPERSEDING
MIL-DTL-28840/24C
20 April 2004
DETAIL SPECIFICATION SHEET
CONNECTORS, ELECTRICAL, CIRCULAR, GASKET, FLANGE MOUNTING,
FLUOROSILICONE AND EMI SHIELDING (FOR MIL-DTL-28840)
This specification is approved for use by all Departments
and Agencies of the Department of Defense.
The requirements for acquiring the product described herein
s
hall consist of this specification sheet and MIL-DTL-28840.
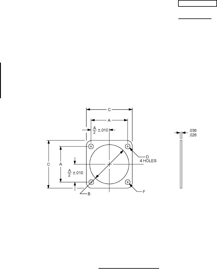
Inches
mm
.010
0.25
.026
0.66
.036
0.91
FIGURE 1. Dimensions and configurations.
AMSC N/A
FSC 5935