
INCH-POUND
MIL-DTL-28840/8F
7 November 2013
SUPERSEDING
MIL-DTL-28840/8E
13 May 2009
DETAIL SPECIFICATION SHEET
CONNECTORS, ELECTRICAL, CIRCULAR, THREADED, HIGH SHOCK, HIGH DENSITY,
SHIPBOARD, BACKSHELL, 90°, CABLE SEALING AND SHIELD TERMINATION
This specification is approved for use by all Departments
and Agencies of the Department of Defense.
The requirements for acquiring the product described herein
shall consist of this specification sheet and MIL-DTL-28840.
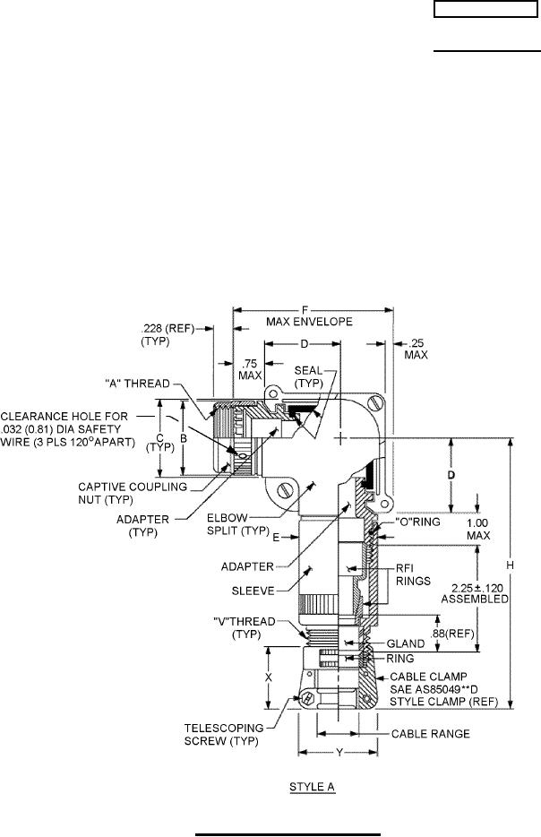
FIGURE 1. Dimensions and configurations.
AMSC N/A
FSC 5935
For Parts Inquires submit RFQ to Parts Hangar, Inc.
© Copyright 2015 Integrated Publishing, Inc.
A Service Disabled Veteran Owned Small Business