
INCH POUND
MIL-DTL-3655/1C
18 March 2008
SUPERSEDING
MIL-C-3655/1B
11 April 1980
DETAIL SPECIFICATION SHEET
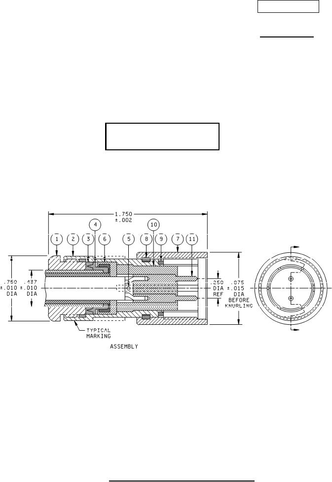
CONNECTOR, PLUG, ELECTRICAL, CLASS I
(COAXIAL, SERIES TWIN) TYPE UG-421B/U
Inactive for new design
after 11 April 1980
This specification is approved for use by all Departments
and Agencies of the Department of Defense.
The requirements for acquiring the product described herein
shall consist of this specification sheet and MIL-DTL-3655.
FIGURE 1. Type UG-421B/U, connector, plug, electrical.
AMSC N/A
FSC 5935
For Parts Inquires submit RFQ to Parts Hangar, Inc.
© Copyright 2015 Integrated Publishing, Inc.
A Service Disabled Veteran Owned Small Business