
INCH POUND
MIL-DTL-3655/10B
18 March 2008
SUPERSEDING
MIL-C-3655/10A
17 June 1977
DETAIL SPECIFICATION SHEET
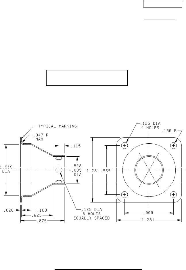
CONNECTOR, SHIELD, ELECTRICAL, CLASS I
(COAXIAL, SERIES TWIN) TYPE MX-1556/U
Inactive for new design
after 13 August 1999
This specification is approved for use by all Departments
and Agencies of the Department of Defense.
The requirements for acquiring the product described herein
shall consist of this specification sheet and MIL-DTL-3655.
FIGURE 1. Type MX-1556/U, connector, shield, electrical.
AMSC N/A
FSC 5935
For Parts Inquires submit RFQ to Parts Hangar, Inc.
© Copyright 2015 Integrated Publishing, Inc.
A Service Disabled Veteran Owned Small Business