
INCH POUND
MIL-DTL-3655/11C
18 March 2008
SUPERSEDING
MIL-C-3655/11B
11 April1980
DETAIL SPECIFICATION SHEET
CONNECTOR, SHIELD, ELECTRICAL, CLASS I
(COAXIAL, SERIES TWIN) TYPE UG-106/U
Inactive for new design
after 11 April 1980
This specification is approved for use by all Departments
and Agencies of the Department of Defense.
The requirements for acquiring the product described herein
shall consist of this specification sheet and MIL-DTL-3655.
NOTES:
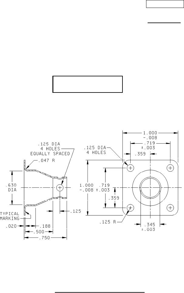
1. Dimensions are in inches.
2. Metric equivalents are given for information only.
3. Unless otherwise specified, the tolerance is ± 005 (0.13 mm).
4. Material shall be brass in accordance with MIL-DTL-3655.
FIGURE 1. Type UG-106/U, connector, shield, electrical.
AMSC N/A
FSC 5935
For Parts Inquires submit RFQ to Parts Hangar, Inc.
© Copyright 2015 Integrated Publishing, Inc.
A Service Disabled Veteran Owned Small Business