
INCH POUND
MIL-DTL-3655/13B
4 October 1999
SUPERSEDING
MIL-C-3655/13A
11 April 1980
DETAIL SPECIFICATION SHEET
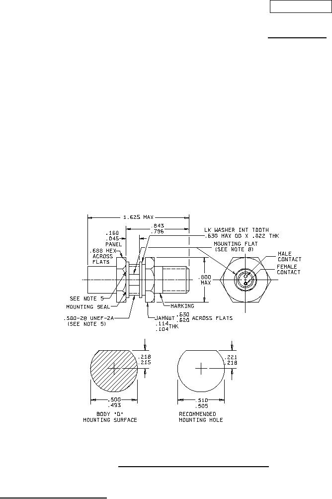
CONNECTOR, RECEPTACLE, ELECTRICAL, CLASS I
(COAXIAL, SERIES TWIN, TWTNC, JAM NUT MOUNTED)
This specification is approved for use by all Departments and Agencies of the Department of Defense.
The requirements for acquiring the product described herein
shall consist of this specification and MIL-C-3655.
FIGURE 1. Type TWTNC, electrical receptacle connector.
AMSC N/A
1 of 5
FSC 5935
DISTRIBUTION STATEMENT A. Approved for public release; distribution is unlimited.
For Parts Inquires submit RFQ to Parts Hangar, Inc.
© Copyright 2015 Integrated Publishing, Inc.
A Service Disabled Veteran Owned Small Business