
INCH POUND
MIL-DTL-3655/15B
4 October 1999
SUPERSEDING
MIL-C-3655/15A
11 April 1980
DETAIL SPECIFICATION SHEET
CONNECTOR, PLUG, ELECTRICAL, CLASS I
(COAXIAL, SERIES TWIN, TWBNC)
This specification is approved for use by all Departments and Agencies of the Department of Defense.
The requirements for acquiring the product described herein
shall consist of this specification and MIL-C-3655.
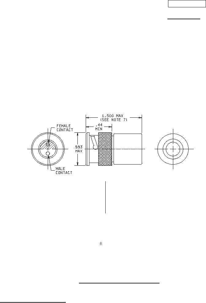
Inches
mm
.393
9.98
.44
11.2
.593
15.06
1.500
33.10
NOTES:
1. Dimensions are in inches.
2. Metric equivalents are given for general information only.
3. Unless otherwise specified, tolerance is . 005 (.13 mm).
4. Dimension .593 is the largest overall diameter of the connector.
5. Wrench flats are to accommodate standard wrench openings in accordance with H-28 appendix 10.
6. All undimensioned pictorial configurations are for reference purpose only.
7. Dimensions define the maximum length of the connector when assembled to the appropriate cable.
FIGURE 1. Type TWBNC, electrical plug connector.
AMSC N/A
1 of 4
FSC 5935
DISTRIBUTION STATEMENT A. Approved for public release; distribution is unlimited.
For Parts Inquires submit RFQ to Parts Hangar, Inc.
© Copyright 2015 Integrated Publishing, Inc.
A Service Disabled Veteran Owned Small Business