
INCH POUND
MIL-DTL-3655/17A
4 October 1999
SUPERSEDING
MIL-C-3655/17
11 April 1980
DETAIL SPECIFICATION SHEET
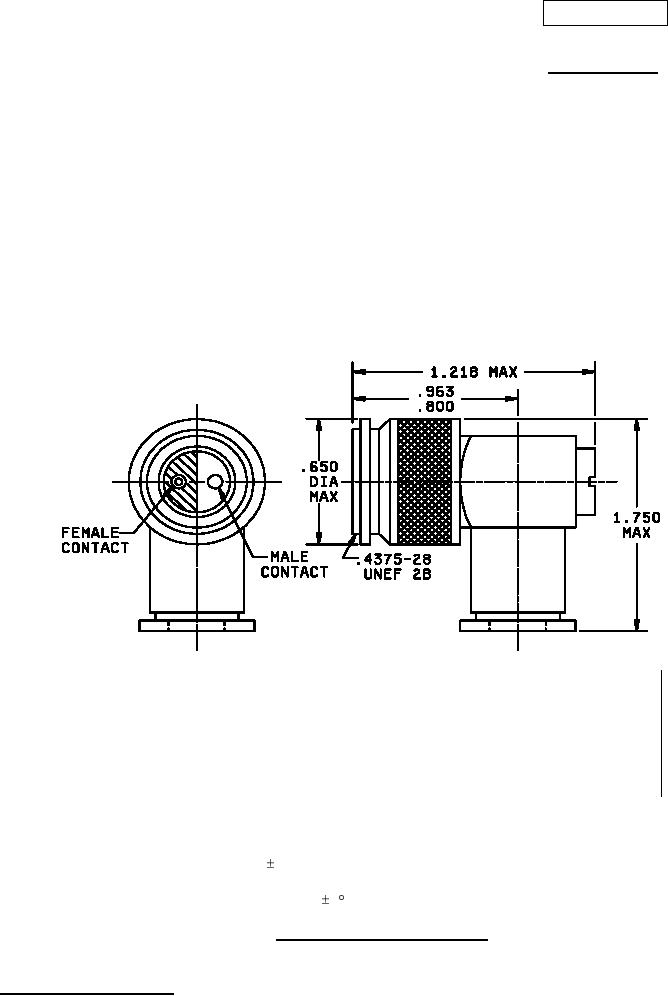
CONNECTOR, PLUG, ELECTRICAL, CLASS I
(COAXIAL, SERIES TWIN, TWTNC, RIGHT ANGLE)
This specification is approved for use by all Departments and Agencies of the Department of Defense.
The requirements for acquiring the product described herein
shall consist of this specification and MIL-C-3655.
Inches
mm
.4375
11.12
.650
16.51
.800
20.32
.963
24.46
1.218
30.94
1.750
44.45
NOTES:
1. Dimensions are in inches.
2. Metric equivalents are given for general information only.
3. Unless otherwise specified tolerance is .005.
4. All undimensioned pictorial configurations are for reference purpose only.
5. Contacts, insulator and shell to be oriented within 3 of position shown.
FIGURE 1. Type TWTNC, electrical plug connector.
AMSC N/A
1 of 4
FSC 5935
DISTRIBUTION STATEMENT A. Approved for public release; distribution is unlimited.
For Parts Inquires submit RFQ to Parts Hangar, Inc.
© Copyright 2015 Integrated Publishing, Inc.
A Service Disabled Veteran Owned Small Business