
MIL-DTL-3655/2C
NOTES:
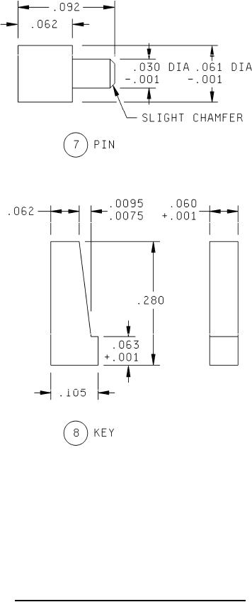
1. Dimensions are in inches.
2. Metric equivalents are given for information only.
3. Unless otherwise specified, the tolerance is ± 005 (0.13 mm).
4. Silver solder all around.
5. Either item 7 or 8 may be used in the alternate construction of item 5.
6. All undimensioned pictorial configurations are for reference purposes only.
FIGURE 1. Type UG-422/U, connector, electrical, receptacle - Continued.
5
For Parts Inquires submit RFQ to Parts Hangar, Inc.
© Copyright 2015 Integrated Publishing, Inc.
A Service Disabled Veteran Owned Small Business