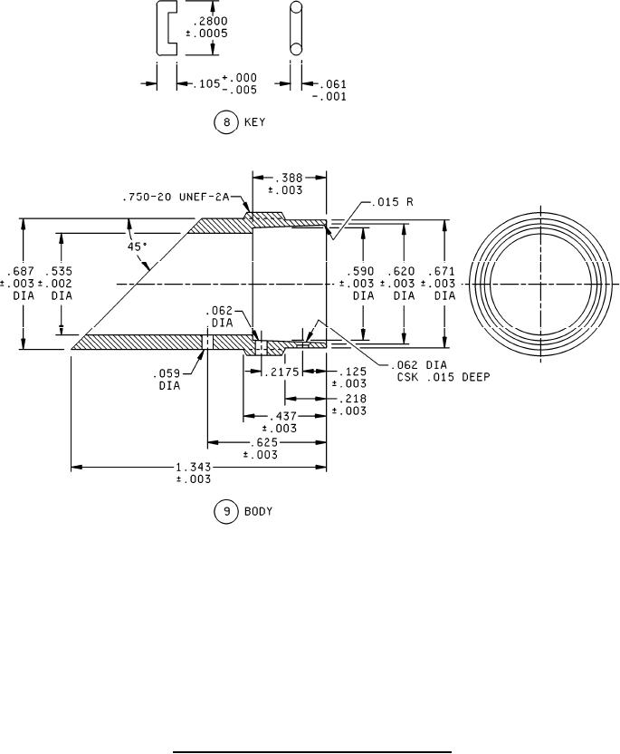
MIL-DTL-3655-5 Connector, Adapter, Electrical, Class I \(Coaxial, Series Twin\) Type Ug-981/U