
MIL-DTL-3655/8C
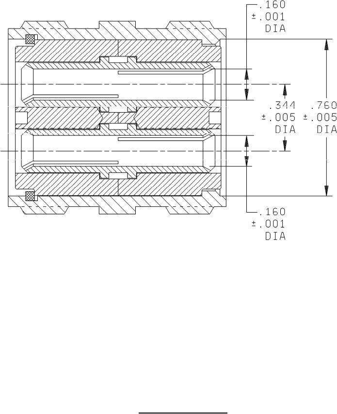
Inches mm
Inches mm
.001 0 .03
.344 8.74
.760 19.30
.005 0.13
.160 4.06
NOTES:
1. Dimensions are in inches.
2. Metric equivalents are given for information only.
FIGURE 2. Visual mating requirements.
5
For Parts Inquires submit RFQ to Parts Hangar, Inc.
© Copyright 2015 Integrated Publishing, Inc.
A Service Disabled Veteran Owned Small Business