
METRIC
MIL-DTL-38999/21C
10 July 2008
SUPERSEDING
MIL-DTL-38999/21B
11 June 2001
DETAIL SPECIFICATION SHEET
CONNECTORS, ELECTRICAL, CIRCULAR, THREADED, RECEPTACLE,
BOX MOUNTING FLANGE, HERMETIC, HERMETIC SOLDER CONTACTS,
SERIES III, METRIC
This specification is approved for use by all Departments
and Agencies of the Department of Defense.
The requirements for acquiring the product described herein
shall consist of this specification sheet and MIL-DTL-38999.
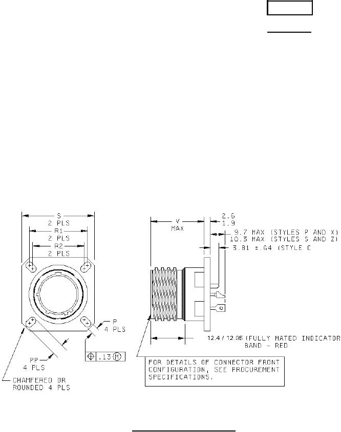
FIGURE 1. Receptacle, classes N and Y .
AMSC N/A
FSC 5935
For Parts Inquires submit RFQ to Parts Hangar, Inc.
© Copyright 2015 Integrated Publishing, Inc.
A Service Disabled Veteran Owned Small Business