
MIL-DTL-38999/24J
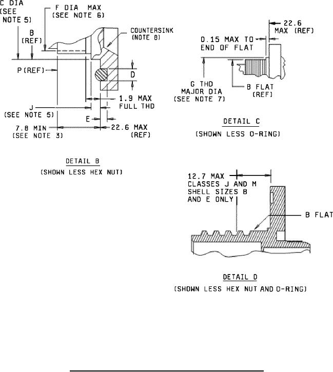
FIGURE 1. Receptacle, classes F, G, J, K, M, P, R, S, T, W, X and Z - Continued.
2
For Parts Inquires submit RFQ to Parts Hangar, Inc.
© Copyright 2015 Integrated Publishing, Inc.
A Service Disabled Veteran Owned Small Business