
METRIC
MIL-DTL-38999/26G
31 October 2011
SUPERSEDING
MIL-DTL-38999/26F
2 June 2010
DETAIL SPECIFICATION SHEET
CONNECTORS, ELECTRICAL, PLUG, CIRCULAR, THREADED,
STRAIGHT, REMOVABLE CRIMP CONTACTS, SERIES III, METRIC
This specification is approved for use by all Departments
and Agencies of the Department of Defense.
The requirements for acquiring the product described herein
shall consist of this specification sheet and MIL-DTL-38999.
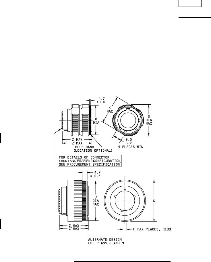
FIGURE 1. Plug, classes F, G, J, K, M, P, R, S, T, W, X and Z.
AMSC N/A
FSC 5935
For Parts Inquires submit RFQ to Parts Hangar, Inc.
© Copyright 2015 Integrated Publishing, Inc.
A Service Disabled Veteran Owned Small Business