
METRIC
MIL-DTL-38999/32E
4 October 2013
SUPERSEDING
MIL-DTL-38999/32D
30 May 2008
DETAIL SPECIFICATION SHEET
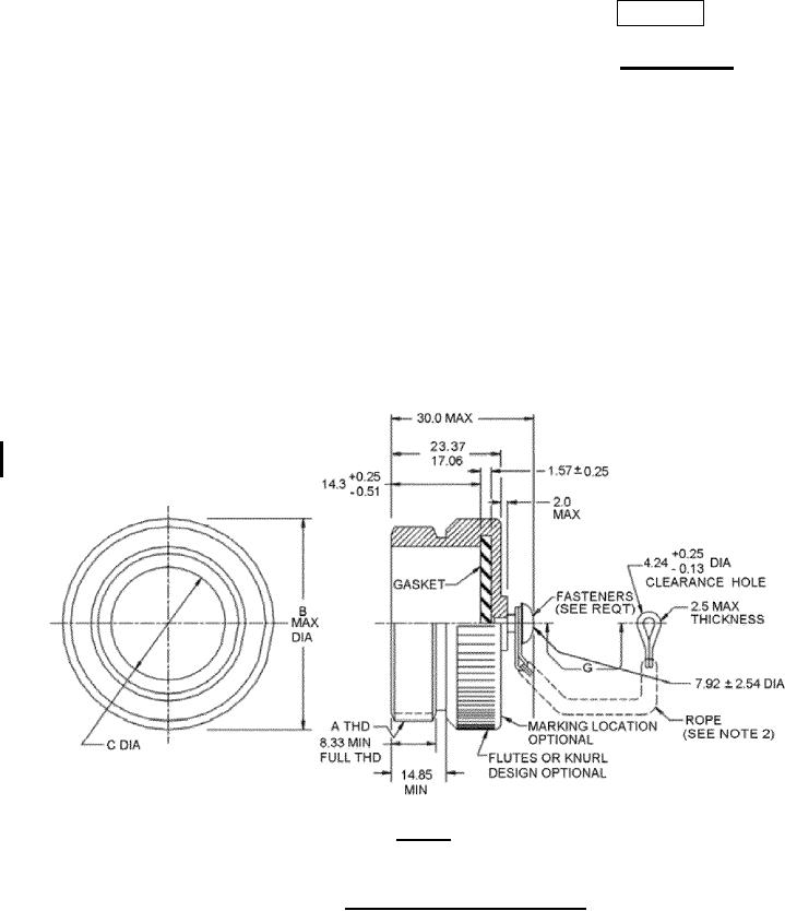
CONNECTOR, ELECTRICAL CIRCULAR, COVER,
PROTECTIVE, PLUG, SERIES III, METRIC
This specification is approved for use by all Departments
and Agencies of the Department of Defense.
The requirements for acquiring the product described herein
shall consist of this specification sheet and MIL-DTL-38999.
STYLE R
FIGURE 1. Protective cover, plug, all classes.
AMSC N/A
FSC 5935