
METRIC
MIL-DTL-38999/41B
8 September 2010
SUPERSEDING
MIL-DTL-38999/41A
11 June 2001
DETAIL SPECIFICATION SHEET
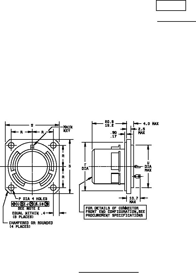
CONNECTORS, ELECTRICAL, CIRCULAR, RECEPTACLE,
BOX MOUNTING FLANGE, HERMETIC, BREECH COUPLING,
HERMETIC SOLDER CONTACTS, SERIES IV, METRIC
This specification is approved for use by all Departments
and Agencies of the Department of Defense.
The requirements for acquiring the product described herein
shall consist of this specification sheet and MIL-DTL-38999.
mm
Inches
.13
.005
.17
.006
.25
.0098
.90
.035
2.5
.098
4.0
.157
10.7
.421
19.2
.755
20.8
.818
FIGURE 1. Receptacle, classes N and Y.
AMSC N/A
FSC 5935
For Parts Inquires submit RFQ to Parts Hangar, Inc.
© Copyright 2015 Integrated Publishing, Inc.
A Service Disabled Veteran Owned Small Business