
METRIC
MIL-DTL-38999/42B
14 August 2009
SUPERSEDING
MIL-DTL-38999/42A
11 June 2001
DETAIL SPECIFICATION SHEET
CONNECTORS, ELECTRICAL, CIRCULAR, RECEPTACLE,
BOX MOUNTING FLANGE, BREECH COUPLING,
REMOVABLE CRIMP CONTACTS, SERIES IV, METRIC
This specification is approved for use by all Departments
and Agencies of the Department of Defense.
The requirements for acquiring the product described herein
shall consist of this specification sheet and MIL-DTL-38999.
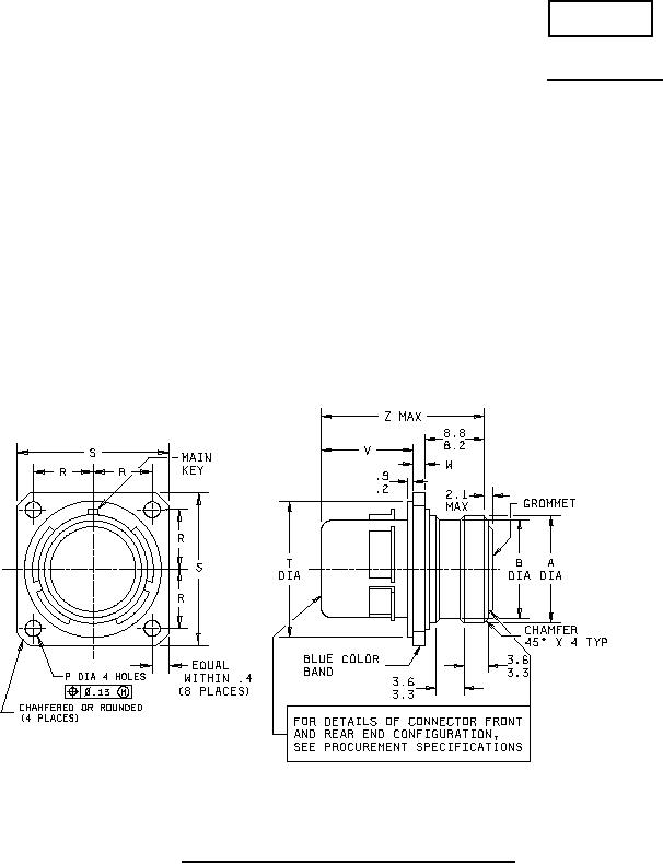
mm
Inches
.2
.008
.4
.016
.9
.035
2.1
.083
3.3
.130
3.6
.142
8.2
.323
FIGURE 1. Receptacle, classes C, F, P, R, T, W, X and Z.
8.8
.346
AMSC N/A
FSC 5935
For Parts Inquires submit RFQ to Parts Hangar, Inc.
© Copyright 2015 Integrated Publishing, Inc.
A Service Disabled Veteran Owned Small Business