
METRIC
MIL-DTL-38999/43B
8 September 2010
SUPERSEDING
MIL-DTL-38999/43A
11 June 2001
DETAIL SPECIFICATION SHEET
CONNECTORS, ELECTRICAL, CIRCULAR, RECEPTACLE,
JAM NUT MOUNTING, HERMETIC, BREECH COUPLING,
HERMETIC SOLDER CONTACTS, SERIES IV, METRIC
This specification is approved for use by all Departments
and Agencies of the Department of Defense.
The requirements for acquiring the product described herein
shall consist of this specification sheet and MIL-DTL-38999.
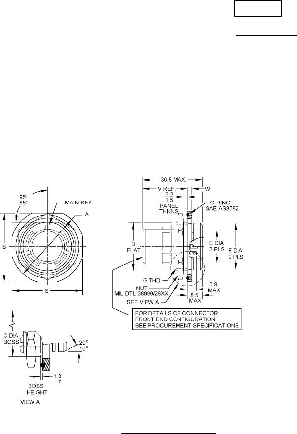
mm
Inches
36.8
1.44
8.5
.334
5.9
.232
3.2
.125
1.5
.059
1.3
.051
.2
.007
FIGURE 1. Receptacle, classes N and Y.
AMSC N/A
FSC 5935
For Parts Inquires submit RFQ to Parts Hangar, Inc.
© Copyright 2015 Integrated Publishing, Inc.
A Service Disabled Veteran Owned Small Business