
METRIC
MIL-DTL-38999/44D
14 August 2009
SUPERSEDING
MIL-DTL-38999/44C
14 July 2004
DETAIL SPECIFICATION SHEET
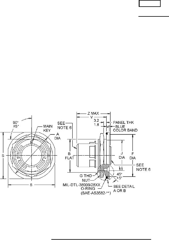
CONNECTORS, ELECTRICAL, CIRCULAR, RECEPTACLE,
JAM-NUT MOUNTING, BREECH COUPLING, REMOVABLE
CRIMP CONTACTS, SERIES IV, METRIC
This specification is approved for use by all Departments
and Agencies of the Department of Defense.
The requirements for acquiring the product described herein
shall consist of this specification sheet and MIL-DTL-38999.
mm
Inches
.071
1.8
.126
3.2
FIGURE 1. Receptacle, classes C, F, K, P, R, S, T, W , X and Z.
AMSC N/A
FSC 5935
For Parts Inquires submit RFQ to Parts Hangar, Inc.
© Copyright 2015 Integrated Publishing, Inc.
A Service Disabled Veteran Owned Small Business