
METRIC
MIL-DTL-38999/45B
8 September 2010
SUPERSEDING
MIL-DTL-38999/45A
11 June 2001
DETAIL SPECIFICATION SHEET
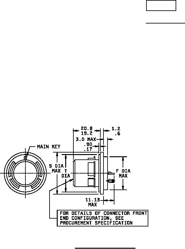
CONNECTORS, ELECTRICAL, CIRCULAR, RECEPTACLE,
SOLDER MOUNTING, HERMETIC, BREECH COUPLING,
HERMETIC SOLDER CONTACTS, SERIES IV, METRIC
This specification is approved for use by all Departments
and Agencies of the Department of Defense.
The requirements for acquiring the product described herein
shall consist of this specification sheet and MIL-DTL-38999.
mm
Inches
20.8
.818
19.2
.755
11.13
.444
3.0
.118
1.2
.047
.90
.035
.6
.023
.17
.006
FIGURE 1. Receptacle, classes N and Y.
AMSC N/A
FSC 5935
For Parts Inquires submit RFQ to Parts Hangar, Inc.
© Copyright 2015 Integrated Publishing, Inc.
A Service Disabled Veteran Owned Small Business