
METRIC
MIL-DTL-38999/48B
5 February 2014
SUPERSEDING
MIL-DTL-38999/48A
11 June 2001
DETAIL SPECIFICATION SHEET
CONNECTORS, ELECTRICAL, CIRCULAR, RECEPTACLE,
WELD MOUNTING, HERMETIC, BREECH COUPLING,
HERMETIC SOLDER CONTACTS, SERIES IV, METRIC
This specification is approved for use by all Departments
and Agencies of the Department of Defense.
The requirements for acquiring the product described herein
shall consist of this specification sheet and MIL-DTL-38999.
mm
Inches
mm
Inches
mm
Inches
mm
Inches
0.17
.007
1.3
.05
2.5
.10
20.8
.82
0.90
.035
1.5
.06
10.7
.42
25.0
.98
1.0
.040
1.8
.07
19.2
.76
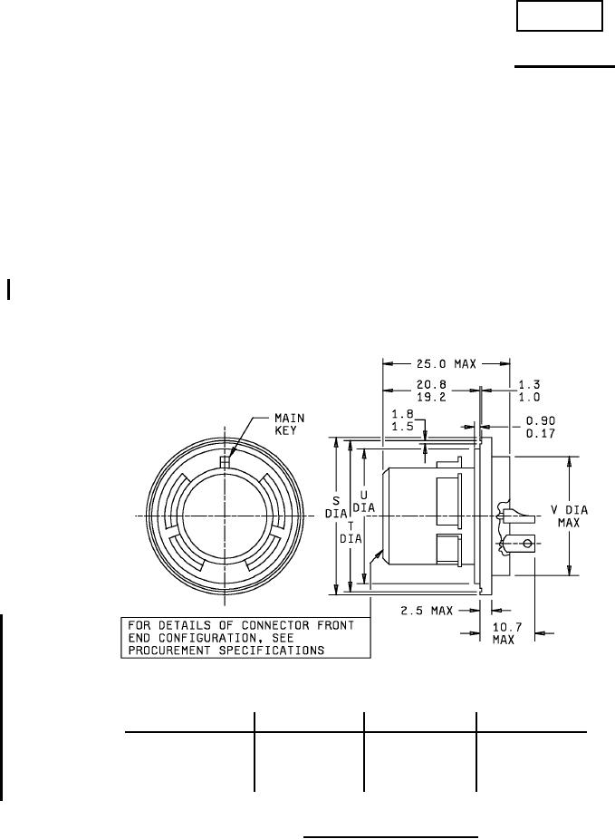
FIGURE 1. Receptacle, classes N and Y.
AMSC N/A
FSC 5935