
METRIC
MIL-DTL-38999/49B
5 February 2014
SUPERSEDING
MIL-DTL-38999/49A
11 June 2001
DETAIL SPECIFICATION SHEET
CONNECTORS, ELECTRICAL, CIRCULAR, RECEPTACLE,
IN-LINE CABLE, BREECH COUPLING,
REMOVABLE CRIMP CONTACTS, SERIES IV, METRIC
This specification is approved for use by all Departments
and Agencies of the Department of Defense.
The requirements for acquiring the product described herein
shall consist of this specification sheet and MIL-DTL-38999.
mm
Inches
0.2
.008
0.9
.035
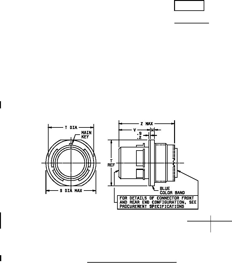
FIGURE 1. Receptacle, classes C, F, R, T, W, X and Z.
AMSC N/A
FSC 5935