
METRIC
MIL-DTL-38999/62
21 November 2014
DETAIL SPECIFICATION SHEET
SEALING BOOT, SIZE 8, PIN OR SOCKET, SHIELDED CRIMP CONTACTS,
ELECTRICAL CONNECTOR, CIRCULAR, METRIC
This specification is approved for use by all Departments
and Agencies of the Department of Defense.
The requirements for acquiring the product described herein
shall consist of this specification sheet and MIL-DTL-38999.
STYLES
NOTES:
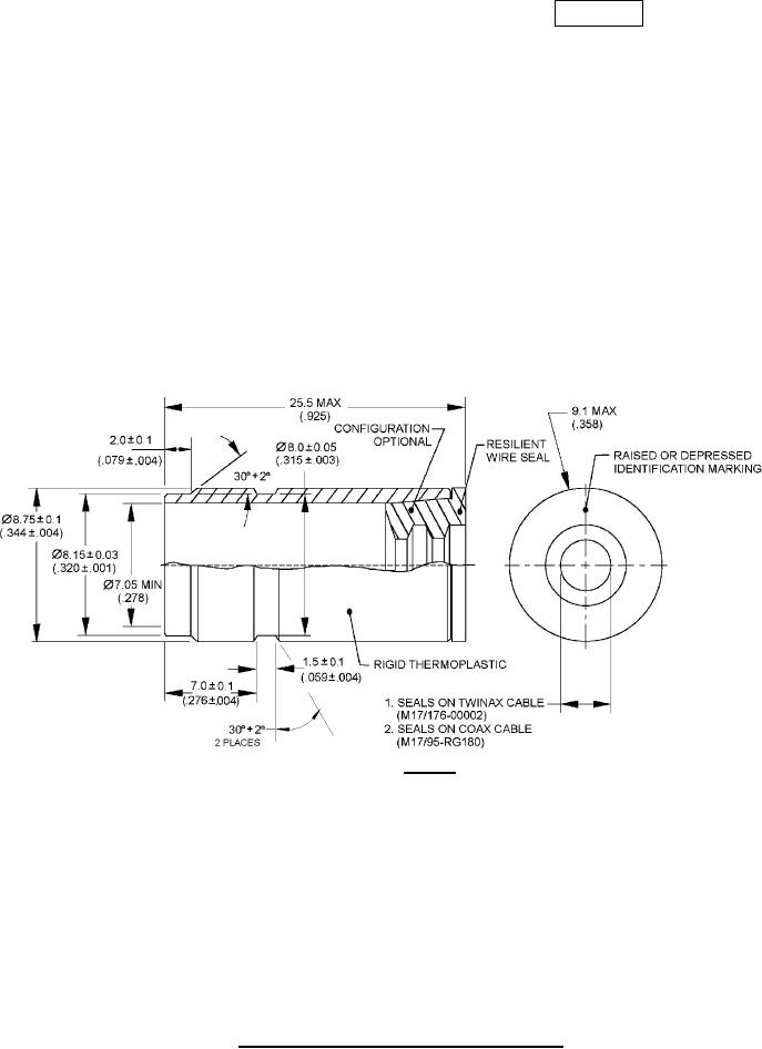
1. Dimensions are in millimeters. Inch equivalents are provided for information only.
2. Sealing boot is for use with qualified size 8 twinax contacts, qualified size 8 coax contacts, and
MIL-DTL-17 cable, or with qualified dummy contacts in accordance with SAE-AS85049/80, and
shall be used to effect environmental sealing in MIL-DTL-38999 connectors with applicable insert
arrangements specified in MIL-STD-1560, including 17-3, 19-19, 21-76, 25-9, 25-10, 25-21, 25-47
and 25-91.
3. The left end of the sealing boot is intended to be installed over the contact. The right end of the
sealing boot seals to the wire or cable.
FIGURE 1. Sealing boot, size 8, shielded crimp contacts.
AMSC N/A
FSC 5935
For Parts Inquires submit RFQ to Parts Hangar, Inc.
© Copyright 2015 Integrated Publishing, Inc.
A Service Disabled Veteran Owned Small Business