
INCH-POUND
MIL-DTL-39024/10E
3 February 2003
SUPERSEDING
MIL-J-39024/10D
25 May 1984
DETAIL SPECIFICATION SHEET
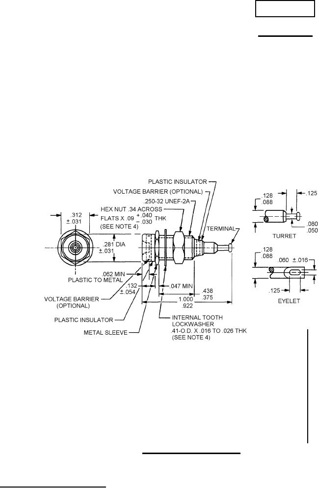
JACK, TIP (TEST POINT TYPE, PANEL TYPE; SINGLE
TEST POINT (THREADED) LOW VOLTAGE, .080)
This specification is approved for use by all Departments
and Agencies of the Department of Defense.
The requirements for acquiring the product described herein
shall consist of this specification and MIL-DTL-39024.
Inches mm
Inches mm
.016 0.41
.125 3.18
.026 0.66
.128 3.25
.030 0.76
.132 3.35
.031 0.79
.250 6.35
.040 1.02
.281 7.14
NOTES:
.047 1.19
.312 7.92
1. Dimensions are in inches.
.050 1.27
.34 8.64
2. Metric equivalents are given for general information only.
.054 1.37
.375 9.52
3. Unless otherwise specified, tolerances are ± .010 (0.25 mm) for
.060 1.52
.41 10.41
three place decimals and ± .03 (0.76 mm) for two place decimals.
.062 1.57
.438 11.12
4. One hex nut and one washer are to be supplied unassembled.
.080 2.03
.922 23.42
.088 2.24
1.000 25.40
.09
2.29
FIGURE 1. Configuration and dimensions.
AMSC N/A
1 of 3
FSC 5935
DISTRIBUTION STATEMENT A. Approved for public release; distribution is unlimited.