
INCH-POUND
MIL-DTL-39024/12E
3 February 2003
SUPERSEDING
MIL-C-39024/12D
14 August 1991
DETAIL SPECIFICATION SHEET
CONNECTORS, ELECTRICAL, TEST POINT TYPE, PANEL TYPE;
SINGLE TEST POINT (HOLE MOUNTING, PUSH-FIT), LOW VOLTAGE
This specification is approved for use by all Departments
and Agencies of the Department of Defense.
The requirements for acquiring the product described herein
shall consist of this specification and MIL-DTL-39024.
NOTES:
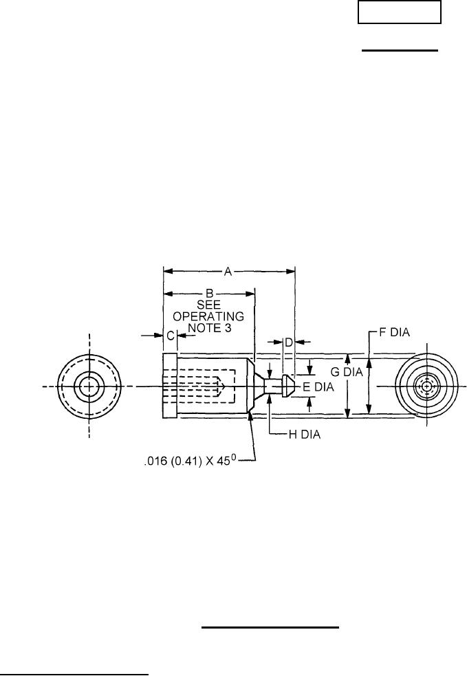
1. Dimensions are in inches.
2. Metric equivalents are given for general information only.
3. Unless otherwise specified, tolerances are ± .010 (0.25 mm) for three place decimals and ± 3.0°
for angles.
FIGURE 1. Configuration and dimensions.
AMSC N/A
1 of 4
FSC 5935
DISTRIBUTION STATEMENT A. Approved for public release; distribution is unlimited.
For Parts Inquires submit RFQ to Parts Hangar, Inc.
© Copyright 2015 Integrated Publishing, Inc.
A Service Disabled Veteran Owned Small Business