
INCH-POUND
MIL-DTL-39024/14C
22 September 2008
SUPERSEDING
MIL-DTL-39024/14B
3 February 2003
DETAIL SPECIFICATION SHEET
CONNECTORS, ELECTRICAL, TEST POINT TYPE, PANEL TYPE;
SINGLE TEST POINT SUBMINIATURE (PUSH-IN), LOW VOLTAGE, .080
This specification is approved for use by all Departments
and Agencies of the Department of Defense.
The requirements for acquiring the product described herein
shall consist of this specification sheet and MIL-DTL-39024.
Inches
mm
Inches
mm
.001
0.03
.085
2.16
.005
0.13
.100
2.54
.015
0.38
.187
4.75
.02
0.5
.190
4.83
.045
1.14
.218
5.54
.060
1.52
.281
7.14
.080
2.03
.500
12.70
.685
17.40
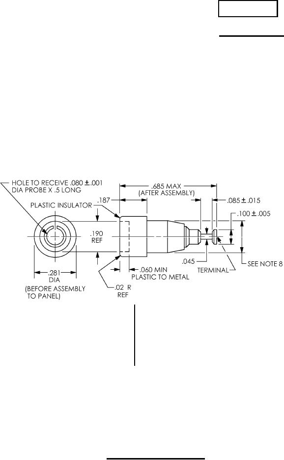
NOTES:
1. Dimensions are in inches.
2. Metric equivalents are given for information only, and are based on 1 inch = 25.4 mm.
3. Unless otherwise specified, tolerances are ± .010 (0.25 mm).
4. Recommended mounting hole diameter .218 ± .001 (5.54 ± 0.03 mm).
5. Range of acceptable panel thickness: .031 - .093 (0.79 2.36 mm).
6. Parts supplied unassembled.
7. All undimensioned pictorial configurations are for reference purpose only.
8. When unassembled, this dimension shall be .218 ± .005 (5.54 ± 0.13 mm). When
the terminal assembly and insulator are assembled, this dimension shall be .220 (5.59 mm) minimum.
FIGURE 1. Configuration and dimensions.
AMSC N/A
FSC 5935
For Parts Inquires submit RFQ to Parts Hangar, Inc.
© Copyright 2015 Integrated Publishing, Inc.
A Service Disabled Veteran Owned Small Business