
INCH-POUND
MIL-DTL-39024/2D
3 February 2003
SUPERSEDING
MIL-C-39024/2C
14 August 1991
DETAIL SPECIFICATION SHEET
CONNECTORS, ELECTRICAL, TEST POINT TYPE, PANEL TYPE;
SINGLE TEST POINT (THREADED), HIGH VOLTAGE
This specification is approved for use by all Departments
and Agencies of the Department of Defense.
The requirements for acquiring the product described herein
shall consist of this specification and MIL-DTL-39024.
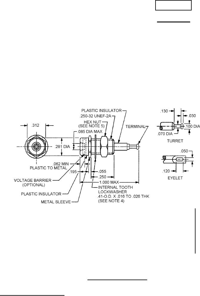
Inches mm
Inches mm
.016 0.41
.100 2.54
.026 0.66
.120 3.05
.030 0.76
.130 3.30
.050 1.27
.195 4.95
.055 1.40
.250 6.35
NOTES:
.062 1.57
.281 7.14
1. Dimensions are in inches.
.070 1.78
.312 7.92
2. Metric equivalents are given for general information only.
.085 2.16
.41 10.4
3. Unless otherwise specified, tolerances are ± .010 (0.25 mm) for three place
1.000 25.40
decimals and ± .03 (0.8 mm) for two place decimals.
4. Parts supplied unassembled.
5. Hex nut .338 (8.59 mm) ± .006 (0.15 mm) across flats x .09 (2.3 mm) ± .03 (0.8 mm) thick.
FIGURE 1. Configuration and dimensions.
AMSC N/A
1 of 3
FSC 5935
DISTRIBUTION STATEMENT A. Approved for public release; distribution is unlimited.