
INCH-POUND
MIL-DTL-39024/4D
3 February 2003
SUPERSEDING
MIL-C-39024/4C
14 August 1991
DETAIL SPECIFICATION SHEET
CONNECTORS, ELECTRICAL, TEST POINT TYPE, PRINTED WIRING TYPE;
SINGLE TEST POINT (RIGHT ANGLE, 3-LEG MOUNTING), LOW VOLTAGE
This specification is approved for use by all Departments
and Agencies of the Department of Defense.
The requirements for acquiring the product described herein
shall consist of this specification and MIL-DTL-39024.
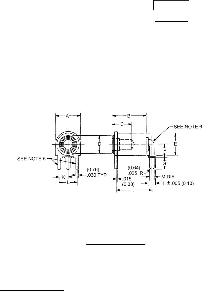
FIGURE 1. Configuration and dimensions.
AMSC N/A
1 of 4
FSC 5935
DISTRIBUTION STATEMENT A. Approved for public release; distribution is unlimited.