
MIL-DTL-55116/12B
Inches
mm
Inches
mm
Inches
mm
.005
.127
.074
1.880
.510
12.95
.007
.178
.086
2.184
.526
13.36
.010
.254
.090
2.286
.528
13.41
.012
.305
.0935
2.375
.549
13.94
.016
.406
.0965
2.451
.553
14.05
.020
.508
.100
2.540
.590
14.99
.027
.686
.105
2.667
.594
15.09
.029
.737
.117
2.972
.627
15.93
.030
.762
.125
3.175
.631
16.03
.034
.864
.229
5.817
.6875
17.46
.037
.940
.233
5.918
.692
17.58
.045
1.143
.237
6.020
.698
17.73
.054
1.372
.239
6.071
.770
19.56
.055
1.397
.416
10.56
.775
19.69
.058
1.473
.426
10.82
1.239
31.47
.059
1.499
.450
11.43
1.243
31.57
.060
1.524
.456
11.58
1.576
40.03
.064
1.626
.480
12.19
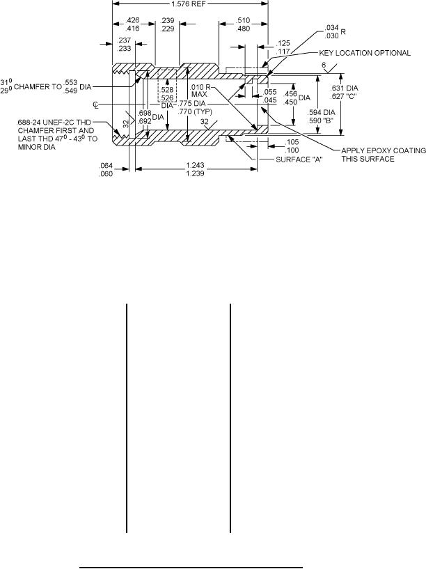
FIGURE 1. Connector, receptacle, six pin audio, U-228 type - Continued.
2
For Parts Inquires submit RFQ to Parts Hangar, Inc.
© Copyright 2015 Integrated Publishing, Inc.
A Service Disabled Veteran Owned Small Business