emilspec
An Integrated Publishing, Inc. Site
eMilSpec
An Integrated Publishing Website
MIL-DTL-55116-13 Connector, Receptacle, Five Pin Audio, Solder Cup Spring Terminals, Wire Strain Relief, U-228 Type
Pages
1
-
2
-
3
-
4
-
5
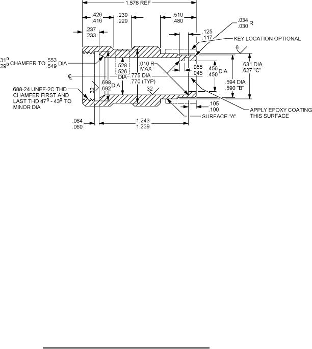
MIL-DTL-55116/13B
FIGURE 1. Connector, receptacle, five pin audio, U-228
type - Continued.
2