
MIL-DTL-55181/2D
NOTES:
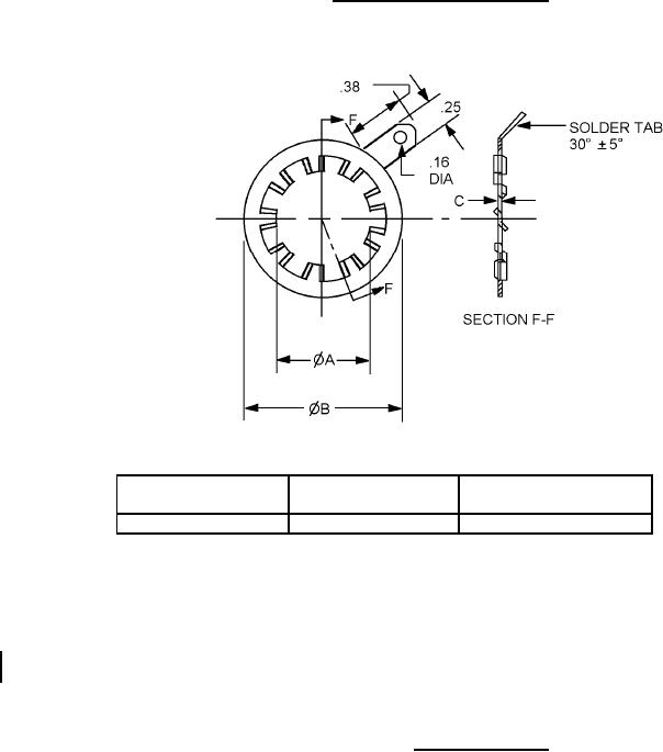
1. Dimensions are in inches.
2. Metric equivalents are given for information only.
3. Unless otherwise specified tolerances are ±.005 inch (0.13 mm) for three place decimals and
±.01 inch (0.3 mm) for two place decimals.
4. Angular tolerances shall be ±30 minutes unless otherwise specified.
FIGURE 1. Dimensions and configuration - Continued.
Inches
mm
Outside diameter ØB
Inside diameter ØA
Thickness C
.16
4.06
Inches (mm)
Inches (mm)
Inches (mm)
.25
6.35
1.468 (37.29)
1.255 (31.88)
.052 (1.32) - .060 (1.52)
.38
9.65
NOTES:
1. Dimensions are in inches.
2. Metric equivalents are given for information only.
3. Unless otherwise specified tolerances are ±.005 inch (0.13 mm) for three place decimals and
±.01 inch (0.3 mm) for two place decimals.
4. Material: Carbon steel, cadmium plated in accordance with SAE-AMS-2700.
5. The number of teeth shall be at the option of the manufacturer.
FIGURE 2. Grounding washer.
3
For Parts Inquires submit RFQ to Parts Hangar, Inc.
© Copyright 2015 Integrated Publishing, Inc.
A Service Disabled Veteran Owned Small Business