emilspec
An Integrated Publishing, Inc. Site
eMilSpec
An Integrated Publishing Website
MIL-DTL-55181-6 Connector, Receptacle, Electrical, Waterproof, 9 Socket Contacts, Solder Cup, 7.5 Amp
Pages
1
-
2
-
3
-
4
-
5
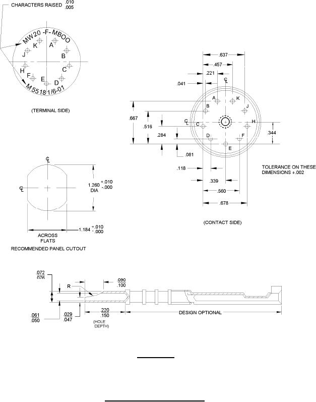
MIL-DTL-55181/6D
CONTACT
FIGURE
1. Dimensions and configuration - Continued.
2
For Parts Inquires submit RFQ to
Parts Hangar, Inc.
© Copyright 2015 Integrated Publishing, Inc.
A Service Disabled Veteran Owned Small Business