
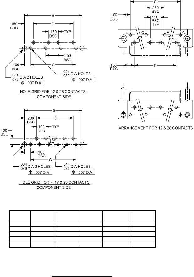
MIL-DTL-55302/1E
Dash
No. of
A
B
C
D
.005
no.
contacts
basic
ref
ref
01
7
.800
.650
.450
.300
02
12
1.200
1.050
.850
.750
03
17
1.550
1.400
1.200
1.050
04
23
2.000
1.850
1.650
1.500
05
28
2.400
2.250
2.050
1.950
FIGURE 1. Connectors, plug (.100 spacing) - Continued.
2
For Parts Inquires submit RFQ to Parts Hangar, Inc.
© Copyright 2015 Integrated Publishing, Inc.
A Service Disabled Veteran Owned Small Business