
INCH-POUND
MIL-DTL-55302/113F
22 May 2006
SUPERSEDING
MIL-C-55302/113E(USAF)
6 May 1993
DETAIL SPECIFICATION SHEET
CONNECTORS, PRINTED CIRCUIT SUBASSEMBLY AND ACCESSORIES:
PLUG, STRAIGHT-THRU, 30 thru 140 CONTACT POSITIONS,
CRIMP REMOVABLE CONTACTS (.100 SQ. GRID)
This specification is approved for use by all Departments and Agencies of the Department of Defense.
The requirements for acquiring the product described herein shall consist of this specification sheet and
MIL-DTL-55302.
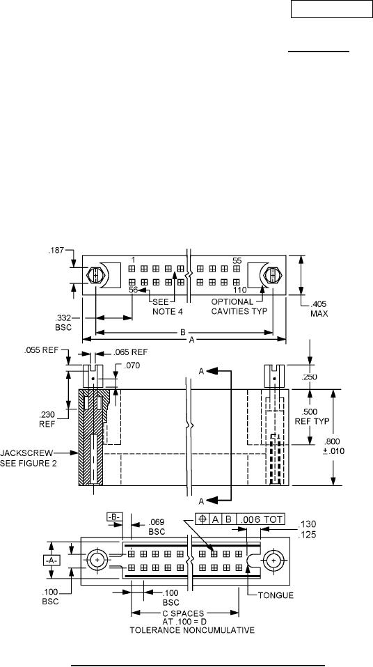
FIGURE 1. Connectors, housing, plug, .100 (2.54 mm) square grid.
AMSC N/A
FSC 5935
For Parts Inquires submit RFQ to Parts Hangar, Inc.
© Copyright 2015 Integrated Publishing, Inc.
A Service Disabled Veteran Owned Small Business