
INCH-POUND
MIL-DTL-55302/120B
6 December 2004
SUPERSEDING
MIL-C-55302/120A(USAF)
3 May 1982
DETAIL SPECIFICATION SHEET
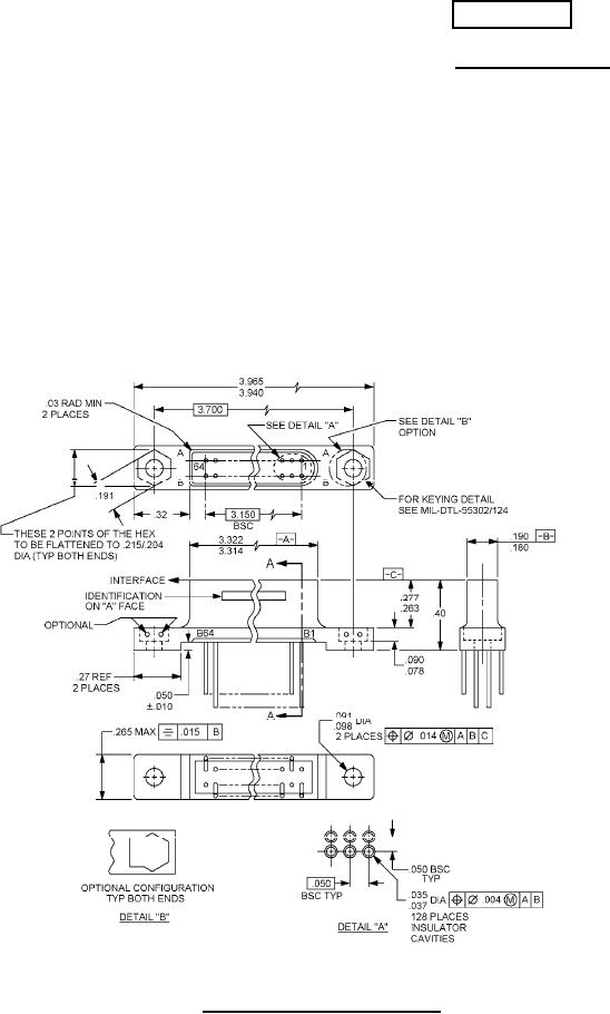
CONNECTORS, PRINTED CIRCUIT SUBASSEMBLY AND ACCESSORIES:
PLUG, PIN CONTACTS, 128 CONTACT POSITIONS, FOR PRINTED
WIRING BOARDS (.050 INCH SPACING)
This specification is approved for use by all Departments and Agencies of the Department of Defense.
The requirements for acquiring the product described herein shall consist of this specification sheet and
MIL-DTL-55302.
FIGURE 1. Connectors, plug (.050 spacing).
AMSC N/A
FSC 5935
For Parts Inquires submit RFQ to Parts Hangar, Inc.
© Copyright 2015 Integrated Publishing, Inc.
A Service Disabled Veteran Owned Small Business