emilspec
An Integrated Publishing, Inc. Site
eMilSpec
An Integrated Publishing Website
MIL-DTL-55302-121 Connectors, Printed Circuit Subassembly And Accessories: Receptacle, Socket Contact, 128 Contact Positions, For Printed Wiring Boards \(.050 Inch Spacing\)
Pages
1
-
2
-
3
-
4
-
5
-
6
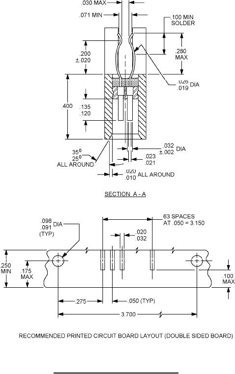
MIL-DTL-55302/121B
FIGURE 1. Connectors, receptacle (.050
spacing) - Continued.
2
For Parts Inquires submit RFQ to
Parts Hangar, Inc.
© Copyright 2015 Integrated Publishing, Inc.
A Service Disabled Veteran Owned Small Business