
INCH-POUND
MIL-DTL-55302/125D
18 February 2005
SUPERSEDING
MIL-C-55302/125C(USAF)
6 MAY 1993
DETAIL SPECIFICATION SHEET
CONNECTORS, PRINTED CIRCUIT SUBASSEMBLY AND ACCESSORIES:
PLUG, 80 CONTACT POSITIONS,
FOR PRINTED WIRING BOARDS (.050 INCH SPACING)
This specification is approved for use by all Departments and Agencies of the Department of
Defense.
The requirements for acquiring the product described herein
shall consist of this specification sheet and MIL-DTL-55302.
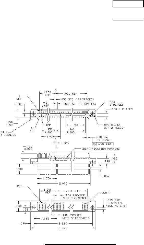
FIGURE 1. Connectors, plug, .050 (1.27 mm) spacing.
AMSC N/A
FSC 5935
For Parts Inquires submit RFQ to Parts Hangar, Inc.
© Copyright 2015 Integrated Publishing, Inc.
A Service Disabled Veteran Owned Small Business